深圳市鸿怡电子有限公司

为解决锂电池测试的痛点而生 大电流弹片微针模组
返回产品中心
LCC/CLCC封装系列
  • 定制测试座
  • lcc芯片测试座
  • LCC28pin芯片测试夹具
  • LCC老化座
  • 定制探针测试座
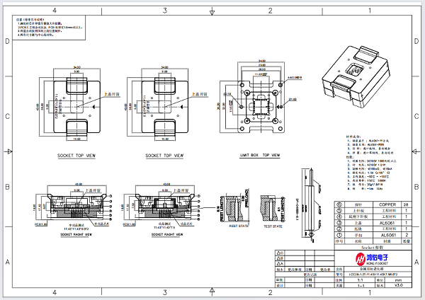
定制LCC28-1.27mm测试座socket

支持频率:≤200Mhz

温度范围:-45℃-125℃

操作力压:30g每pin,PIN越多需要压力越大

额定电流:单PIN1A max

接触电阻:≤50毫欧

绝缘电阻:DC500V 1000兆欧以上

机械寿命:>1.5万次

中心引脚间距:1.27mm

适配芯片尺寸:11.43*11.43mm

鸿怡电子生产的LCC28-1.27(11.43*11.43)mm双扣测试座产品简介

PLCC、CLCC、LCC区别:

PLCC与CLCC的区别:以前仅在于前者用塑料,后者用陶瓷。 LCC是指无引脚封装,有的也称QFN。适用芯片、模块封装。

LCC28-1.27(11.43*11.43)mm芯片规格参数

芯片测试座

LCC28-1.27(11.43*11.43)mm 芯片老化测试座图纸

芯片测试座socket

LCC28-1.27(11.43*11.43)mm 芯片老化测试座产品展示
  • 芯片测试座
    芯片测试插座
  • IMG_8825_500x405
    CLCC28pin芯片测试socket
  • 芯片夹具
    CLCC28pin芯片测试夹具
  • 定制探针测试座
    CLCC芯片测试座
  • LCC封装芯片socket_500x405
    芯片测试夹具
  • 定制测试夹具
    芯片测试座