深圳市鸿怡电子有限公司

为解决锂电池测试的痛点而生 大电流弹片微针模组
返回产品中心
BGA封装系列
  • BGA测试socket
  • 探针针模
  • FT测试socket
  • kit测试底座
  • BGA探针座
定制BGA807-ATE-kit测试socket

SPECIFICATION

1绝缘阻抗:1000mΩMin.At DC 500V

2、耐电压:For1 Minute At AC 700V

3、接触阻抗:100mΩ MAX。at 10mA and 20mV MAX.(Initial)

4、支持频率:1GHz@-ldB(其他高频需沟通)

5、额定电流:1A max/Pin.

6、工作温度:-55°C ~+155°C

7、使用寿命:20,000 Times(Mechanical)

8、操作力:1.0Kg MAX

9、中心引脚间距:0.6mm

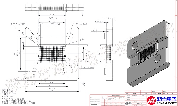
10、适配模块尺寸:29.6x20.7mm


鸿怡电子生产定制BGA807-0.6(30.7x20.7)PEEK针座ATE-kit测试socket产品简介

BGA封装技术
BGA (Ball Grid Array)-球状引脚栅格阵列封装技术,高密度表面装配封装技术。在封装底部,引脚都成球状并排列成一个类似于格子的图案,由此命名为BGA。主板控制芯片组多采用此类封装技术,材料多为陶瓷。采用BGA技术封装的内存,可以使内存在体积不变的情况下,内存容量提高两到三倍,BGA与TSOP相比,具有更小体积,更好的散热性能和电性能。BGA封装技术使每平方英寸的存储量有了很大提升,采用BGA封装技术的内存产品在相同容量下,体积只有TSOP封装的三分之一;与传统TSOP封装方式相比,BGA封装方式有更加快速有效的散热途径。  

定制BGA807-0.6(30.7x20.7)PEEK针座ATE-kit测试socket图纸

20250805114753000248/resource/images/81bbec3d1248456fbece1e8d89177c46_14.jpg

定制BGA807-0.6(30.7x20.7)PEEK针座ATE-kit测试socket产品展示
  • 20250805114753000248/resource/images/81bbec3d1248456fbece1e8d89177c46_16.jpgATE测试socket
  • 20250805114753000248/resource/images/81bbec3d1248456fbece1e8d89177c46_18.jpgkit测试socket
  • 20250805114753000248/resource/images/81bbec3d1248456fbece1e8d89177c46_20.jpgFT测试socket
  • 20250805114753000248/resource/images/81bbec3d1248456fbece1e8d89177c46_22.jpgBGA探针底座
  • 20250805114753000248/resource/images/81bbec3d1248456fbece1e8d89177c46_24.jpg芯片测试针模