SPECIFICATION
1、绝缘阻抗:1000mΩMin.At DC 500V
2、耐电压:For1 Minute At AC 700V
3、接触阻抗:100mΩ MAX。at 10mA and 20mV MAX.(Initial)
4、支持频率:12GHz@-ldB(其他高频需沟通)
5、额定电流:1A max/Pin.
6、工作温度:-45°C ~+125°C
7、使用寿命:大于25,000
Times(Mechanical)
8、操作力:1.0Kg MAX(根据下针数量)
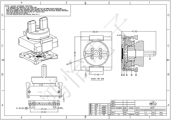
9、测试座结构:旋钮翻盖式
10、测试座材料:合金+PEEK
11、中心引脚间距:0.5mm
12、适配芯片尺寸:5.5x5.5mm
联系工程师:电话微信同号:19925483684(韦工)
鸿怡电子 HMILU BGA112-0.5mm 导电胶测试座,采用高弹性导电胶触点,专为 BGA112 封装(0.5mm 间距)芯片设计,广泛应用于芯片测试、老化、烧录等场景,无损伤接触,信号稳定,是研发与量产的可靠伙伴。






处理器芯片测试座socket工程师:BGA1517pin功能测试需求
芯片热仿真测试:鸿怡电子车规级QFP128pin芯片仿真测试座案例
“小龙虾”用户激增引发AI芯片、功率芯片、模拟芯片需求爆发,芯片测试产业链成“核心保障支撑”
鸿怡电子芯片可靠性老化测试方案商:芯片老化箱与芯片加热测试座socket定义与区别
芯片ESD可靠性测试和ESD功能性测试-芯片测试座解决方案
Enplas停止芯片测试座产线-哪个品牌能成为进口测试座替代的主流选择?
为电源芯片/模块测试服务:鸿怡电子电源模块LGA72pin封装老化测试座socket应用案例
核心算力载体:人工智能AI芯片测试基石-鸿怡电子高可靠性芯片测试座