深圳市鸿怡电子有限公司

为解决锂电池测试的痛点而生 大电流弹片微针模组
返回产品中心
WLCSP封装系列
  • IC测试座
  • WLCSP芯片测试夹具
  • WLCSP芯片测试座
  • 芯片测试夹具
  • 芯片测试座
定制WLCSP24pin-0.4mm芯片测试座

1. 微间距适配:探针需精准匹配0.35mm及以上间距的触点,同时避免相邻针尖短路

2. 温度适应性:工作温度范围需覆盖-55°C至120°C,以应对汽车电子(车规级)/工业设备(工业级)等严苛环境

3. 高可靠性:插拔次数需超过50万次,确保测试设备长期稳定运行.


鸿怡电子生产的WLCSP24pin-0.4mm-2.634*1.819mm晶圆级芯片测试座产品介绍

晶圆级芯片封装(WLCSP)因其体积小、性能优的特点,成为消费电子、汽车电子等领域的主流选择1.独特的设计,确保信号路径最短,接触阻抗低,稳定,载流量大,使用寿命约大于10万次;2.自主研发的peek +陶瓷塑料原料,高效耐磨,耐高温,高硬度的板材,从而提供更好的产品性能,满足极端环境检测的需要;3.高级翻盖合金测试座,测试芯片寿命长,适用于WLCSP芯片。

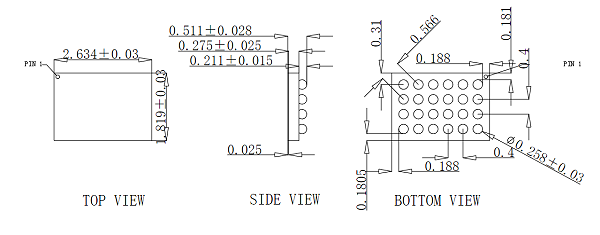
WLCSP24pin-0.4mm晶圆级芯片图纸参数

WLCSP24pin芯片图纸

WLCSP24pin-0.4mm 晶圆级芯片测试座图纸
WLCSP24pin芯片测试座图纸
WLCSP24pin-0.4mm 晶圆级芯片测试座产品展示
  • WLCSP24pin芯片测试座WLCSP24pin芯片测试座
  • WLCSP24pin芯片测试夹具WLCSP24pin芯片测试socket
  • WLCSP24pin芯片测试socketWLCSP24pin芯片测试夹具
  • WLCSP芯片测试socket晶圆级芯片测试座
  • WLCSP芯片测试夹具晶圆级芯片测试夹具
  • WLCSP芯片测试座晶圆级芯片测试socket