深圳市鸿怡电子有限公司

为解决锂电池测试的痛点而生 大电流弹片微针模组
返回产品中心
SOP/OTS封装系列
  • TSOP10pin芯片测试夹具
  • TSOP10pin芯片测试socket
  • TSOP芯片测试座
  • TSOP测试座
  • TSOP芯片测试夹具
定制TSOP10pin-0.5mm芯片测试座

定制TSOP10pin芯片测试座参数:

绝缘阻抗:1000mΩMin.At DC 500V

耐电压:For 1 Minute AtAC 700V

接触阻抗:30mΩ MAX。at 10mA and 20mV MAX.(Initial)

额定电流:1Amax/Pin.

工作温度:-45°C~+125°C

使用寿命:15,000 Times(Mechanical)

操作力:1.0Kg MAX

测试座结构:翻盖式

测试座材料:PEI+PEEK

鸿怡电子生产的TSOP10pin芯片测试座产品介绍

SOP/SOIC 系列翻盖式芯片测试座:Support EEPROM, Driver IC,Power IC etc SOP Package IC.。

SOP封装是元件封装的一种形式,常用的封装材料有:塑料、陶瓷、玻璃、金属等,基本上采用塑料封装,应用范围广泛,主要用于各种集成电路。

根据两排引脚之间的宽度,双排成直线型:一般有7.4~7.62 mm、10.16 mm、12.7mm、15.24 mm等。

根据双列平包装两柱间的宽度(包括引线长度),一般为6~6.5± mm,7.6mm,10.5~10.65 mm等。

TSOP10pin芯片参数

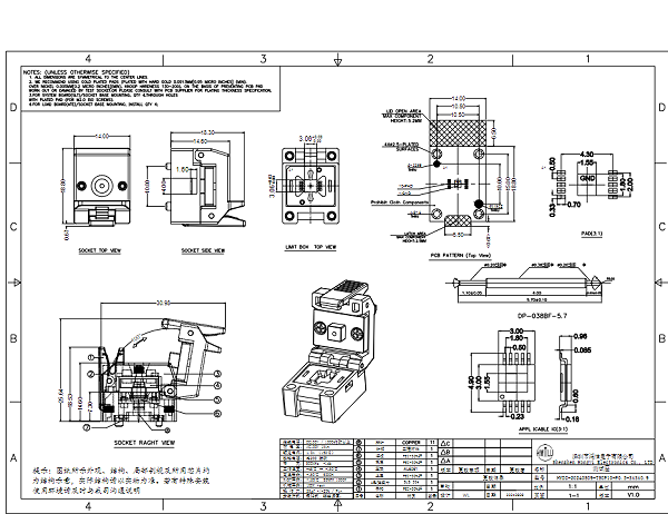
TSOP10pin芯片图纸

TSOP10pin芯片测试座图纸
TSOP10pin芯片测试座图纸
TSOP10pin芯片测试座产品展示
  • TSOP10pin芯片测试座IC测试座
  • TSOP10pin芯片测试夹具SOP芯片测试socket
  • TSOP10pin芯片测试socketSOP芯片测试夹具
  • TSOP测试座SOP芯片测试座
  • TSOP测试夹具芯片测试夹具
  • TSOP测试插座socket芯片测试座