深圳市鸿怡电子有限公司

为解决锂电池测试的痛点而生 大电流弹片微针模组
返回产品中心
SOT封装系列
  • IC测试座
  • SOT23测试夹具
  • SOT芯片测试座
  • 器件测试座
定制SOT23-8L-1.5mm芯片测试座

SPECIFICATION

1、绝缘阻抗:1000mΩMin.At DC 500V

2、耐电压:For 1 Minute AtAC 700V

3、接触阻抗:30mΩ MAX。at 10mA and 20mV MAX.(Initial)

4、额定电流:1Amax/Pin.

5、工作温度:-55°C~+175°C

6、测试座结构:蓝宝石盖分离式

7、器件尺寸:2.8*2.9mm

深圳鸿怡电子生产定制的SOT23pin-8L-0.65mm蓝宝石盖分离式测试座socket产品简介

SOT23-8L测试座socket:

Support IGBT MOSFET and Other Function IC
SOT系列老化座:SOT (Small Outline Transistor)类芯片是一种封装形式,常用于集成电路芯片。它是一种小型封装,具有较高的密度和较小的尺寸。SOT类芯片有多种尺寸和引脚数,常见的有SOT-23、SOT-89、SOT-223等。
SOT类芯片的老化座用于模拟芯片在长时间使用过程中的老化情况。它可以通过加速老化测试,对芯片的可靠性和稳定性进行评估。老化座一般具有恒定的温度和电压控制功能,并可以持续运行多个小时甚至几天,以模拟实际使用环境中的老化情况。在老化座中,芯片通常会被加热到一定温度,然后进行长时间的电压或电流加载,以模拟实际使用中的工作状态。通过老化座测试,可以评估芯片在长时间使用中的可靠性和性能衰减情况。

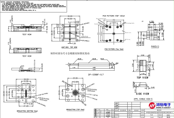
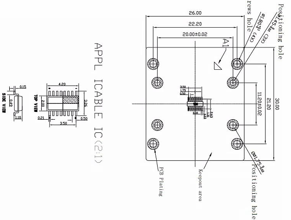
SOT23-8L-0.65mm芯片图纸

SOT23pin芯片图纸

SOT23-8L-0.65mm器件测试座图纸

SOT23-8L-0.65mm器件测试座图纸

SOT23-8L-0.65mm器件测试座socket产品展示
  • SOT23pin芯片测试座SOT23测试插座
  • SOT23封装测试插座SOT23封装测试夹具
  • SOT23-8L-0.65mm器件测试socketSOT23测试座
  • SOT IC SOCKET芯片测试socket
  • SOT芯片测试socketSOT23-8L测试座
  • SOT23封装测试座SOT23封装测试座