深圳市鸿怡电子有限公司

为解决锂电池测试的痛点而生 大电流弹片微针模组
返回产品中心
QFP/OTQ封装系列
  • IC测试座
  • QFP芯片测试socket
  • QFP芯片测试夹具
  • QFP芯片测试座
定制QFP256pin-0.4mm芯片测试座

QFP256pin-0.4mm芯片测试座产品特点及规格

Socket本体:合金+PEEK

Socket结构:旋钮翻盖式

探针材料:铍铜

探针镀层:镍金

操作压力:2.OKGmin,pin数越多压力越大

接触阻抗:50mΩmax

耐压测试:700V AC for lminute

绝缘阻抗:1000m500V DC

最大电流:1A

使用温度:-45°C-+125*C

机械寿命:大于15000次(机械测试)

鸿怡电子生产的QFP256pin-0.4mm-28*28mm芯片测试座产品简介

QFP/LQFP/TQFP/OTQ封装翻盖结构测试座支持 EEPROM,驱动器IC,电源IC等。

QFP封装是元件封装的一种形式,常用的封装材料有:塑料、陶瓷、玻璃、金属等,基本上采用塑料封装,应用范围广泛,主要用于各种集成电路。

测试座分为翻盖(旋钮)和下压、双扣式结构,现有适配芯片尺寸间距为:0.4、0.5、0.65、0.8、1.0、1.27mm

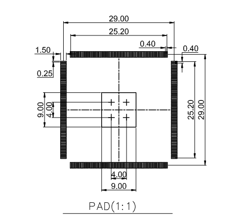
QFP256pin-0.4mm芯片参数

QFP256pin-0.4mm芯片图纸

QFP256pin-0.4mm 芯片测试座图纸

QFP256pin-0.4mm芯片测试座图纸

QFP256pin-0.4mm 芯片测试夹具产品展示
  • QFP256pin-0.4mm芯片测试座IC测试插座
  • QFP256pin-0.4mm芯片测试夹具QFP256pin测试座
  • QFP256pin-0.4mm芯片测试socketQFP256pin测试夹具
  • QFP256pin芯片测试socketQFP芯片测试夹具
  • QFP256pin芯片测试夹具QFP芯片测试座
  • QFP256pin芯片测试座芯片测试座