深圳市鸿怡电子有限公司

为解决锂电池测试的痛点而生 大电流弹片微针模组
返回产品中心
QFN/DFN封装系列
  • IC测试座
  • QFN芯片测试夹具
  • QFN芯片测试座
  • 芯片测试夹具
  • 芯片测试座
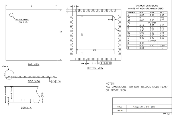
定制QFN64pin-0.4mm芯片测试座

QFN64pin芯片测试座参数:

本体尺寸:8*8mm

引脚中心间距:0.4mm

芯片测试座结构:翻盖式

Socket壳体:合金+PEEK

探针材料:铍铜

探针镀层:镍金

操作压力:2.0KGmin,与pin数成正比

接触阻抗:50mΩmax

耐压测试:700V AC for 1minute

绝缘阻抗:1000mΩ 500V DC

最大电流:1A

使用温度:-45°C-+125°C

机械寿命:大于15000次(机械测试)

鸿怡电子生产的QFN64pin-0.4mm-8*8mm芯片测试座产品介绍
适用规格 16-88pin,0.4、0.5、1.27引脚间距QFN/LCC封装的IC
支持频率 ≤300Mhz
温度范围 -45℃-125℃
操作力压 35g每pin,PIN越多需要压力越大
额定电流 单PIN1A
接触电阻 ≤100毫欧
绝缘电阻 DC500V1000兆欧以上
QFN/DFN封装、有的也称为LCC、翻盖式结构测试座
支持EEPROM,驱动器IC,电源IC等QFN封装,芯片测试座009系列.有翻盖式、旋钮翻盖式、双扣式、分离式结构、下压开窗结构适合自动机台
QFN64pin-0.4mm芯片图纸

QFN64pin-0.4mm芯片图纸

QFN64pin-0.4mm芯片 测试座图纸

QFN64pin-0.4mm芯片测试座图纸

QFN64pin-0.4mm 芯片测试座产品展示
  • QFN64pin-0.4mm芯片测试座IC测试座
  • QFN64pin-0.4mm芯片测试夹具QFN64pin芯片测试socket
  • QFN64pin-0.4mm芯片测试socketQF64pin芯片测试夹具
  • QFN芯片测试socketQFN64pin芯片测试座
  • QFN芯片测试夹具芯片测试夹具
  • QFN芯片测试座芯片测试座