深圳市鸿怡电子有限公司

为解决锂电池测试的痛点而生 大电流弹片微针模组
返回产品中心
BGA封装系列
  • PGA测试夹具
  • PGA测试socket
  • PGA封装夹具
  • PGA老化座
  • PGA老化夹具
  • PGA老炼治具
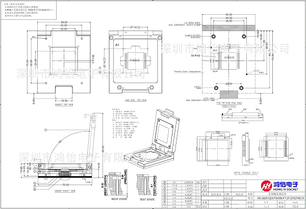
定制PGA56-1.27mm芯片测试座

芯片封装:PGA
pin脚数:56pin
引脚中心距:1.27mm
IC尺寸:27*27mm
结构类型:翻盖式
温度范围:-55℃~+155°C
定制PGA测试夹具联系:黄工13622364332(备注来源:网站)

深圳鸿怡电子生产定制的PGA56-1.27(27x27x8.1)翻盖探针测试座产品简介

PGA56-1.27  (27*27*8.1)合金翻盖探针测试座

PGA(Pin Grid Array)指的是引脚阵列封装,它是一种常见的电子器件封装形式。在PGA封装中,芯片引脚呈类似网格状的排列,量产时需要将芯片通过焊接固定在印刷电路板上。
PGA封装适用于I/O引脚数量较多的集成电路,如微处理器、图像处理器、FPGA等。

端子板只能做常规导通测试,如需高频大电流可联系客服咨询其他设计方案  

鸿怡电子研发,生产各类封装的半导体芯片测试座,老化座,测试夹具治具,集成电路IC的Burn-in-Socket和Test-Socket,产品封装种类齐全BGA/EMMC/EMCP/QFP/QFN/SOP/SOT/TO/LGA/LCC/DDR/FPC/connector/IMU socket等。

中心引脚间距:1.27mm

适配芯片尺寸:27*27mm

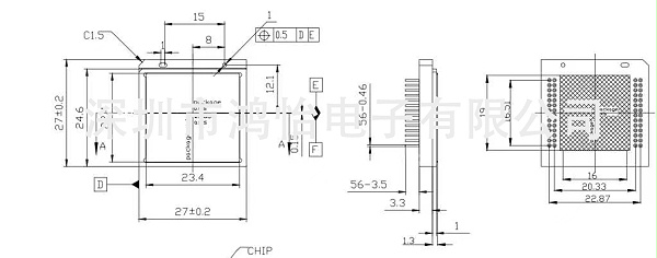
PGA56-1.27(27x27x8.1)芯片图纸

20250805114753000248/resource/images/8de2889e62434e2b9dac713b72896f20_14.jpg

PGA56-1.27(27x27x8.1)芯片测试座图纸

20250805114753000248/resource/images/8de2889e62434e2b9dac713b72896f20_16.jpg

PGA56-1.27(27x27x8.1)芯片测试座产品展示
  • 20250805114753000248/resource/images/8de2889e62434e2b9dac713b72896f20_18.jpgPGA测试座
  • 20250805114753000248/resource/images/8de2889e62434e2b9dac713b72896f20_20.jpgPGA测试夹具
  • 20250805114753000248/resource/images/8de2889e62434e2b9dac713b72896f20_22.jpgPGA老化座
  • 20250805114753000248/resource/images/8de2889e62434e2b9dac713b72896f20_24.jpgPGA老化夹具
  • 20250805114753000248/resource/images/8de2889e62434e2b9dac713b72896f20_26.jpgPGA芯片测试座
 20250805114753000248/resource/images/8de2889e62434e2b9dac713b72896f20_28.jpgPGA测试socket