深圳市鸿怡电子有限公司

为解决锂电池测试的痛点而生 大电流弹片微针模组
返回产品中心
BGA封装系列
  • C测试座
  • PGA芯片测试socket
  • PGA芯片测试座
  • 芯片测试座
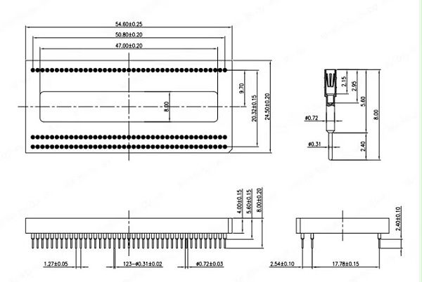
定制PGA123pin-1.27mm芯片测试座

IC封装:PGA
pin脚数:123pin
引脚中心距:1.27mm
IC尺寸:54.6*24.5mm
类型:端子板(直插)
温度范围:-45~+125°C

深圳鸿怡电子生产定制PGA123pin-1.27mm合金双扣测试座产品简介

PGA123pin芯片测试座

PGA(Pin Grid Array)指的是引脚阵列封装,它是一种常见的电子器件封装形式。在PGA封装中,芯片引脚呈类似网格状的排列,量产时需要将芯片通过焊接固定在印刷电路板上。
PGA封装适用于I/O引脚数量较多的集成电路,如微处理器、图像处理器、FPGA等。

端子板只能做常规导通测试,如需高频大电流可联系客服咨询其他设计方案  

鸿怡电子研发,生产各类封装的半导体芯片测试座,老化座,测试夹具治具,集成电路IC的Burn-in-Socket和Test-Socket,产品封装种类齐全BGA/EMMC/EMCP/QFP/QFN/SOP/SOT/TO/LGA/LCC/DDR/FPC/connector/IMU socket等。

中心引脚间距:1.27mm

适配芯片尺寸:54.6*24.5mm

PGA123pin芯片图纸

PGA123pin芯片图纸

PGA123pin芯片测试座图纸

PGA123pin芯片测试座图纸

PGA123pin芯片测试座产品展示
  • PGA芯片测试夹具芯片测试座
  • PGA芯片测试座PGA123pin芯片测试座
  • PGA芯片测试socket测试座
  • PGA123pin-1.27mm socketIC测试座
  • PGA合金双扣测试座PGA芯片测试座
 PGA芯片测试socketPGA123pin socket