深圳市鸿怡电子有限公司

为解决锂电池测试的痛点而生 大电流弹片微针模组
返回产品中心
模块测试座
  • IC测试夹具
  • IC测试座
  • 模块测试socket
  • 模块测试夹具
  • 芯片测试socket
定制模块20pin-2.5mm芯片测试座

20pin模块测试座产品特点:
体积小:整体尺寸最小可做到10MM*10MM*6.0MM
可做高频率测试:最高频率可达-1~-3dB@30GHz
定位精准度高:加工工艺可达 -+0.01MM
寿命长:寿命可达10万次(探针机械寿命可达15-20万)
稳定性高:采用合金材料,耐磨损20-30万次,耐高低温-45~+125。
可维护性高:采用模块化设计,全配件可单独更换。
可标准化:产品设计周期短,交货速度快。


鸿怡电子生产定制的模块20pin-2.5mm芯片测试座socket产品介绍

20pin模块测试座产品参数

封装类型:PCB模块
引脚位数:20pin
中心间距:2.5mm
本体尺寸:28*28mm
模块测试座产品特点
1、 采用旋钮翻盖式结构,操作方便;
2、上盖的IC压板采用旋钮翻盖式结构,下压平稳,压力均匀,不移位;
3、探针的爪头形突起能刺破焊接球的氧化层,接触可靠;
4、高精度的定位槽,保IC定位以及焊盘精确导通;
5、采用浮板结构有球无球都能测
6、镀金探针材料
7、探针可更换,维修方便,成本低
8、绝缘材料制作;
9、最小可做到跳距pitch=0.35mm(引脚中心到中心的距离);

20pin模块图纸

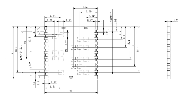
20pin模块芯片图纸

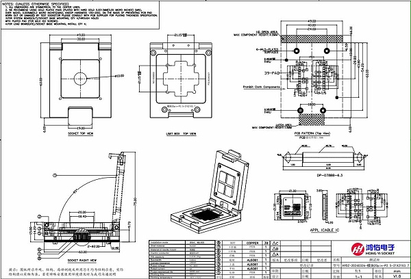
20pin模块测试座图纸

模块芯片测试座图纸

20pin模块测试座产品展示
  • 20pin模块测试座20pin模块测试座
  • 20pin模块测试夹具20pin模块测试夹具
  • 20pin-0.5mm模块测试夹具模块测试socket
  • 模块测试socket模块测试socket
  • 模块测试sock模块测试sock
  • 20pin模块测试夹具
  • 邮票孔18pin模模块测试夹具