深圳市鸿怡电子有限公司

为解决锂电池测试的痛点而生 大电流弹片微针模组
返回产品中心
LGA封装系列
  • IC测试座
  • LGA芯片测试夹具
  • LGA芯片测试座
  • 芯片测试座
定制LGA122pin-1.5mm芯片测试座

SPECIFICATION

1绝缘阻抗:1000mΩMin.At DC 500V

2、耐电压:For1 Minute At AC 700V

3、接触阻抗:100mΩ MAX。at 10mA and 20mV MAX.(Initial)

4、支持频率:1GHz@-ldB(其他高频需沟通)

5、额定电流:1A max/Pin.

6、工作温度:-45°C ~+125°C

7、使用寿命:20,000 Times(Mechanical)

8、操作力:1.0Kg MAX

9、中心引脚间距:1.5mm

10、适配芯片尺寸:130.5*28mm

鸿怡电子生产定制的LGA122-1.5mm-30.5*28mm芯片合金旋钮翻盖式弹针测试座socket产品简介

LGA封装芯片测试座,LGA模块测试座socket:

LGA封装是一种电子元器件封装技术,它基于Land Grid Array(LGA)连接器的设计原理,用于将集成电路芯片与印刷电路板(PCB)相连接。LGA封装具有许多优点,如较高的可靠性、良好的散热性能和较低的插拔力等
鸿怡电子研发,生产各类封装的半导体芯片测试座,老化座,测试夹具治具,集成电路IC的Burn-in-Socket和Test-Socket,产品封装种类齐全BGA/EMMC/EMCP/QFP/QFN/SOP/SOT/TO/LGA/LCC/DDR/FPC/connector/IMU socket等。

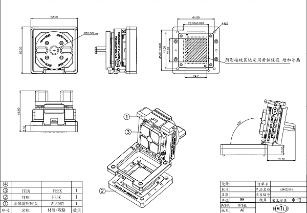
LGA122pin-1.5mm芯片图纸

LGA122pin芯片图纸

LGA122pin-1.5mm芯片 测试座图纸

LGA122pin芯片测试座图纸

LGA122pin-1.5mm芯片 测试座socket产品展示
  • LGA122pin芯片测试座LGA芯片测试插座
  • LGA122pin芯片测试夹具LGA122pin芯片测试夹具
  • LGA122pin芯片测试座LGA测试座
  • LGA芯片测试座LGA122pin芯片测试socket
  • LGA芯片测试夹具定制LGA测试座
  • LGA芯片测试socket芯片测试座