深圳市鸿怡电子有限公司

为解决锂电池测试的痛点而生 大电流弹片微针模组
返回产品中心
QFN/DFN封装系列
  • DFN芯片测试夹具
  • IC测试夹具
  • 器件IC测试座
  • 芯片测试夹具
  • DFN芯片测试座
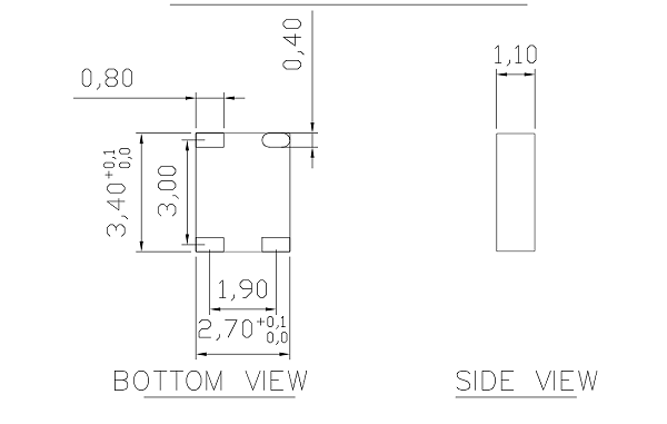
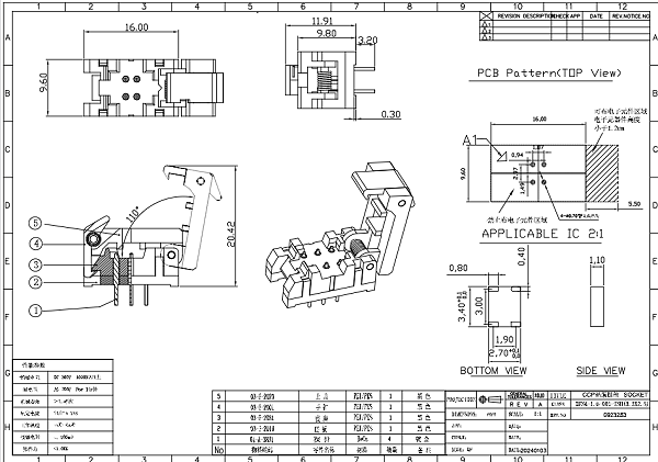
定制DFN4pin-1.9mm芯片测试座

DFN4pin芯片测试座参数:

本体尺寸:3.4*2.7mm

中心引脚间距:1.9mm

Socket壳体:PEI+PEEK

测试座结构:翻盖式

探针材料:铍铜

探针镀层:镍金

操作压力:2.0KGmin,与pin数成正比

接触阻抗:50mΩmax

耐压测试:700V AC for 1minute

绝缘阻抗:1000mΩ 500V DC

最大电流:1A

使用温度:-45°C-+125°C

机械寿命:大于15000次(机械测试)

鸿怡电子生产定制的DFN4pin-1.9mm芯片测试座产品介绍
适用规格 适用于DFN封装晶圆、芯片、器件等
支持频率 ≤300Mhz
温度范围 -45℃-125℃
操作力压 35g每pin,PIN越多需要压力越大
额定电流 单PIN1A
接触电阻 ≤100毫欧
绝缘电阻 DC500V1000兆欧以上
QFN/DFN封装翻盖结构测试座
支持EEPROM,驱动器IC,电源IC等QFN封装,芯片测试座009系列.有翻盖式、旋钮翻盖式、双扣式、分离式结构、下压开窗结构适合自动机台
DFN4pin-1.9mm芯片规格参数

DFN4pin芯片图纸

DFN4pin-1.9mm芯片测试座图纸

DFN4pin芯片测试座图纸

DFN4pin-1.9mm芯片测试座产品展示
  • DFN4pin芯片测试座DFN测试座
  • DFN4pin芯片测试夹具DFN4pin测试socket
  • DFN4pin芯片测试socketDFN4pin测试夹具
  • DFN芯片测试socketDFN封装测试座
  • DFN芯片测试夹具DFN芯片测试座
  • DFN芯片测试座DFN测试socket