深圳市鸿怡电子有限公司

为解决锂电池测试的痛点而生 大电流弹片微针模组
返回产品中心
模块测试座
  • 传感器模块测试座
  • 传感器模块测试座
  • 定制模块测试座
  • 模块测试治具
  • 定制传感器模块29pin-0.8mm测试座
定制传感器模块29pin-0.8mm测试座

定制29pin传感器模块测试座产品特点:
体积小:整体尺寸最小可做到10MM*10MM*6.0MM
可做高频率测试:最高频率可达-1~-3dB@30GHz
定位精准度高:加工工艺可达 -+0.01MM
寿命长:寿命可达10万次(探针机械寿命可达15-20万)
稳定性高:采用合金材料,耐磨损20-30万次,耐高低温-45~+125。
可维护性高:采用模块化设计,全配件可单独更换。
可标准化:产品设计周期短,交货速度快。


鸿怡电子生产定制29pin-0.8pitch传感器模块测试座socket产品介绍

传感器模块29pin测试座产品参数

封装类型:传感器模块
引脚位数:29pin
中心间距:0.8mm
本体尺寸:14.2x16.6mm
传感器模块测试座产品特点
1、 采用翻盖式结构,操作方便;
2、上盖的IC压板采用翻盖式结构,下压平稳,压力均匀,不移位;
3、探针的爪头形突起能刺破焊接球的氧化层,接触可靠;
4、高精度的定位槽,保IC定位以及焊盘精确导通;
5、采用浮板结构有球无球都能测
6、镀金探针材料
7、探针可更换,维修方便,成本低
8、绝缘材料制作;
9、最小可做到跳距pitch=0.35mm(引脚中心到中心的距离);

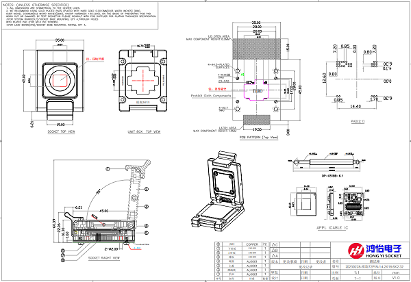
29pin传感器模块socket图纸

传感器模块测试座器件尺寸图

29pin传感器模块socket图纸

29pin传感器模块测试座尺寸图纸

邮票孔36pin模块测试座产品展示
  • IC测试座IC测试座
  • PCB模块测试座传感器模块测试夹具
  • 传感器模块测试夹具模块测试socket
  • 模块探针测试座邮票孔模块测试socket
  • 模块29pin探针测试座_500x405模块29pin探针测试座
  • 传感器模块socket

  • 传感器模块socket