深圳市鸿怡电子有限公司

为解决锂电池测试的痛点而生 大电流弹片微针模组
返回产品中心
BGA封装系列
  • BGA芯片测试socket
  • BGA芯片测试夹具
  • IC测试座
  • 芯片测试夹具
  • 芯片测试座
定制BGA292pin-0.8mm芯片测试座

SPECIFICATION
1、绝缘阻抗:1000mΩMin.At DC 500V
2、耐电压:For1 Minute At AC 700V
3、接触阻抗:100mΩ MAX。at 10mA and 20mV MAX.(Initial)
4、支持频率:1GHz@-ldB(其他高频需沟通)
5、额定电流:1A max/Pin.
6、工作温度:-45°C ~+125°C
7、使用寿命:大于25,000 Times(Mechanical)
8、操作力:1.0Kg MAX(根据下针数量)
9、测试座结构:分离式
10、测试座材料:合金+PEEK
11、中心引脚间距:0.8mm
12、适配芯片尺寸:17*17mm

深圳鸿怡电子生产定制的BGA292pin-0.8mm-17*17mm芯片测试座产品简介

BGA292pin芯片测试治具socket

BGA封装技术
BGA (Ball Grid Array)-球状引脚栅格阵列封装技术,高密度表面装配封装技术。在封装底部,引脚都成球状并排列成一个类似于格子的图案,由此命名为BGA。主板控制芯片组多采用此类封装技术,材料多为陶瓷。采用BGA技术封装的内存,可以使内存在体积不变的情况下,内存容量提高两到三倍,BGA与TSOP相比,具有更小体积,更好的散热性能和电性能。BGA封装技术使每平方英寸的存储量有了很大提升,采用BGA封装技术的内存产品在相同容量下,体积只有TSOP封装的三分之一;与传统TSOP封装方式相比,BGA封装方式有更加快速有效的散热途径。  

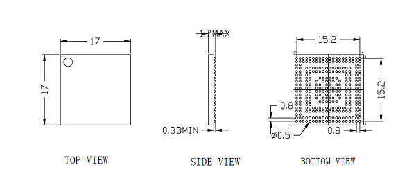
BGA292pin-0.8mm芯片图纸

BGA292pin芯片图纸

BGA292pin-0.8mm 芯片 测试座图纸

BGA292pin芯片测试座图纸

BGA292pin-0.8mm 芯片测试座socket产品展示
  • BGA封装芯片测试座BGA封装芯片测试座
  • BGA292芯片测试夹具芯片测试座
  • BGA292pin芯片测试socketBGA292pin芯片测试座
  • BGA芯片测试socketBGA292pin芯片测试座socket
  • BGA芯片测试夹具芯片测试socket
  • BGA292pin socket芯片测试夹具