深圳市鸿怡电子有限公司

为解决锂电池测试的痛点而生 大电流弹片微针模组
返回产品中心
军品/科研/航空
  • 定制8+8pin光感探测器件测试座
  • 光感探测器件测试座
  • 光感探测器件测试夹具
  • 光感探测器件测试插座
  • 光感探测器件测试socket
  • 半导体光感探测器件测试座
定制8+8pin光感探测器件测试座

光感探测器件测试座产品特点
①开模注塑成型,精度高,电气性能稳定,生产周期短,生产成本低
②采用顶针式设计,安装拆卸方便,检修容易,PCB老化板可以重复使用
③接触材料采用进口铍铜、表层加厚镀金,接触阻抗小、弹性好、可靠性高


鸿怡电子生产定制8+8pin光感探测器件测试座socket产品介绍

光感探测器件测试座socket产品参数

封装类型:半导体光感探测器件
引脚位数:8+8pin
中心间距:0.35mm
本体尺寸:2*2mm
测试温度:-45°~+155°
电流:单pin过流1A
探测器件测试座产品特点
1、 采用旋钮双扣式结构,操作方便;
2、上盖的IC压板采用双扣式结构,下压平稳,压力均匀,不移位;
3、探针的爪头形突起能刺破焊接球的氧化层,接触可靠;
4、高精度的定位槽,保IC定位以及焊盘精确导通;
5、采用浮板结构有球无球都能测
6、镀金探针材料
7、探针可更换,维修方便,成本低
8、绝缘材料制作;
9、最小可做到跳距pitch=0.35mm(引脚中心到中心的距离);

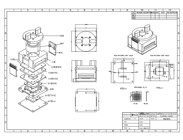
光感探测器件8+8pin图纸

探测器件图纸

半导体光感探测器件8+8pin测试座图纸

探测器件测试座图纸

半导体光感探测器件8+8pin测试座产品展示
  • 探测器件测试座半导体光感探测器件测试座
  • 探测器件测试夹具光感探测器件测试夹具
  • 探测器件测试socket半导体探测器件测试socket
  • 8+8pin探测器件测试座光感探测器件测试座
  • 8+8pin探测器件测试夹具光感探测器件测试夹具