深圳市鸿怡电子有限公司

为解决锂电池测试的痛点而生 大电流弹片微针模组
返回产品中心
电阻电容电感系列
  • 电容测试座
  • 多工位电容测试夹具
  • 电容测试socket
  • 一拖十六工位电容测试座
定制2pin一拖九工位ATE式电容测试座

2pin电容测试座参数:

绝缘阻抗:1000mΩMin.At DC 500V

耐电压:For 1 Minute AtAC 700V

接触阻抗:50mΩ MAX。at 10mAand 20mV MAX.(Initial)

额定电流:1Amax/Pin.可过6A

工作温度:-45°C~+155°C


深圳鸿怡电子生产定制的2pin-一拖九工位电容测试座产品简介

电容、电阻以及对应老化测试座是用于测试电子元件老化情况的设备。电容和电阻是电子电路中常见的两种元件,它们都有可能在长时间使用过程中发生老化,影响电路的性能。对应老化测试座是指专门用于测试电容和电阻老化的测试座,可以根据需要选择测试电容或电阻,并提供相应的测试方法和参数设定。这样可以方便地进行电容和电阻老化的测试,提前发现老化问题,保证电路的可靠性和稳定性。


电容规格参数

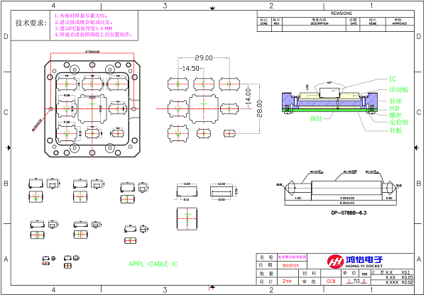
电容测试座尺寸图

2pin一拖九工位ATE电容测试座图纸

2pin一拖九工位电容ATE式测试座

深圳鸿怡电子生产定制的2pin一拖九工位电容ATE式测试座产品展示
  • 2pin一拖九工位电容ATE式测试座2pin多工位电容测试座
  • 2pin一拖九工位电容ATE式测试座电容测试socket
  • 2pin一拖九工位电容ATE式测试座自动机台用电容测试夹具
  • 2pin一拖九工位电容ATE式测试座2pin一拖九工位电容ATE式测试座
  • 2pin一拖九工位电容ATE式测试座电容老化座