深圳市鸿怡电子有限公司

为解决锂电池测试的痛点而生 大电流弹片微针模组
返回产品中心
LPDDR-GDDR-DDR系列
  • BGA78测试夹具
  • DDR78ball测试socket
  • DDR78ball测试socket
  • DDR78ball测试socket
  • DDR78ball测试socket
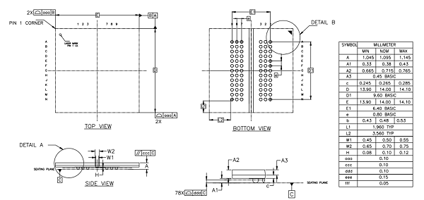
DDR78pin-0.8mm内存颗粒测试座

绝缘阻抗:1000mΩ Min.At DC 500V

耐电压:For 1 Minute AtAC 700V

接触阻抗:100mΩ MAX。 at 10mA and 20mV MAX.(Initial)

额定电流:1A max/Pin

工作温度:-55°℃ ~+175°C

最高测试速率:5800Mhz(可根据客户要求定制不同信号频率测试Socket)

操作力:15~30g/Pin MAX

鸿怡电子生产的DDR78球芯片测试座产品介绍

DDR Memory系列测试座:DDR为易失性存储器,分为SRAM和DRAM,其中DRAM又分为SDRAM和DDR_SDRAM,我们所说的DDR3、DDR4、LPDDR4、LPDDR5、DDR5等是属于DDR SDRAM。

台式主机上使用的,我们一般叫做内存条,学名DIMM,是多个DDR颗粒组成的模块。笔记本的内存条尺寸较小,我们一般成为SO-DIMM,服务器用的则是RDIMM和 UDIMM、LRDIMM。以上这些产品我们均有对应的老化测试座以及功能测试座和对应的测试治具。

DDR96ball内存颗粒参数

20250805114753000248/resource/images/0838d53ebbde4182b07a5667b0cc65dd_16.png

DDR96ball芯片测试座图纸

20250805114753000248/resource/images/0838d53ebbde4182b07a5667b0cc65dd_32.jpg

DDR96球芯片测试座产品展示
  • 20250805114753000248/resource/images/0838d53ebbde4182b07a5667b0cc65dd_20.jpgDDR测试座
  • 20250805114753000248/resource/images/0838d53ebbde4182b07a5667b0cc65dd_22.jpgDDR内存颗粒测试座
  • 20250805114753000248/resource/images/0838d53ebbde4182b07a5667b0cc65dd_24.jpgDDR内存条测试夹具
  • 20250805114753000248/resource/images/0838d53ebbde4182b07a5667b0cc65dd_26.jpgIC测试座
  • 20250805114753000248/resource/images/0838d53ebbde4182b07a5667b0cc65dd_28.jpgDDR96ball测试socket
  • 20250805114753000248/resource/images/0838d53ebbde4182b07a5667b0cc65dd_30.jpgDDR96ball测试座