深圳市鸿怡电子有限公司

为解决锂电池测试的痛点而生 大电流弹片微针模组
返回产品中心
TO封装系列
  • TO247-2L老化座
  • TO247老化座
  • TO247老练插座
  • TO封装器件老化座
标品TO247-2pin器件老化测试座

TO247-2L整流器老练插座参数:

壳体材质:PEEK; 

接触端子:进口铍铜,触点镀厚金 

高温性能: 

1.120℃-135℃,连续使用大于5000 小时; 

2.135℃-150℃,连续使用时长大于200 小时; 

机械性能:插拔次数50000次; 

额定电流:20A

每pin拔插力度:25g/ pin

深圳鸿怡电子生产定制的整流器件TO247-2L老化座socket产品简介

整流器件TO247-2L老练插座socket:

TO封装系列老化测试座特点
TO(Transistor Outline),即晶体管外形。早期晶体管大都采用同轴封装,后来被借用到光通信中,叫做TO封装,即同轴封装。
功率元器件TO老化座产品特点
①开模注塑成型,精度高,电气性能稳定,生产周期短,生产成本低
②采用顶针式设计,安装拆卸方便,检修容易,PCB老化板可以重复使用
③接触材料采用进口铍铜、表层加厚镀金,接触阻抗小、弹性好、可靠性高

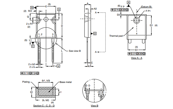
功率元器件TO247-2L图纸

整流器件TO247-2L图纸

整流器件TO247-2pin老化测试座图纸

整流器件TO247-2L老化座图纸

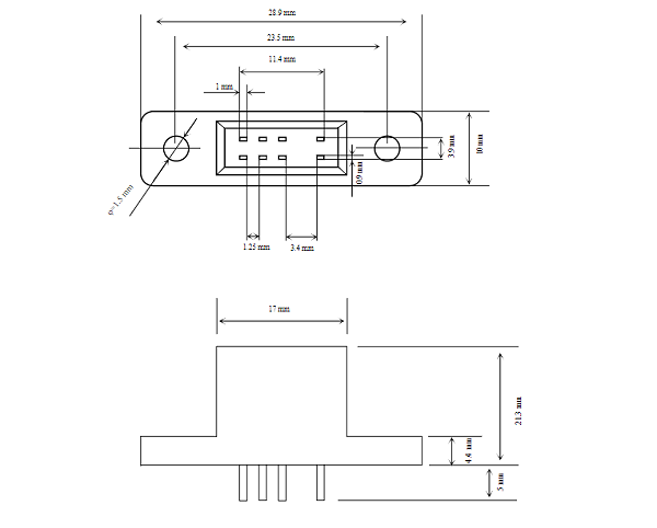
整流器件TO247-2pin老化测试座socket产品展示
  • 整流器件TO247-2L老化座整流器件TO老练插座
  • 整流器件TO247-2L老练插座TO247封装老化测试夹具
  • 整流器件TO247-2L老化测试座TO老化测试夹具
  • TO247-2L老化测试座整流器件老化测试socket
  • TO247-2L老练插座TO247-2L老练测试座
  • TO247-2L老化座TO封装老化测试座