深圳市鸿怡电子有限公司

为解决锂电池测试的痛点而生 大电流弹片微针模组
返回产品中心
QFP/OTQ封装系列
  • QFP48pin芯片下压老化座
  • QFP48pin芯片下压老化测试夹具
  • QFP48pin芯片下压老化测试socket
  • QFP48pin芯片下压老练插座
标品QFP48pin-0.5mm芯片老练夹具

标准品QFP48pin-0.5mm芯片老化座产品特点及规格

Socket本体:PEI+PEEK

Socket结构:下压式+加接地

弹片针材料:铍铜

弹片针镀层:镍金

操作压力:2.OKGmin,pin数越多压力越大

接触阻抗:50mΩmax

耐压测试:700V AC for lminute

绝缘阻抗:1000m500V 

DC最大电流:1A

使用温度:-45°C-+125°C

机械寿命:大于20000次(机械测试)

鸿怡电子生产的标准品QFP48pin-0.5mm-7*7mm芯片下压式老化座产品介绍

QFP/LQFP/TQFP/OTQ封装翻盖结构测试座支持 EEPROM,驱动器IC,电源IC等。

QFP封装是元件封装的一种形式,常用的封装材料有:塑料、陶瓷、玻璃、金属等,基本上采用塑料封装,应用范围广泛,主要用于各种集成电路。

测试座分为翻盖(旋钮)和下压结构,现有适配芯片尺寸间距为:0.4、0.5、0.65、0.8、1.0、1.27mm

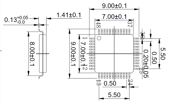
QFP48pin-0.5mm芯片规格参数

QFP48pin芯片图纸

QFP48pin-0.5mm芯片老化座图纸

QFP48pin芯片老化座图纸

QFP48pin-0.5mm芯片老化座产品展示
  • QFP48pin芯片老化座QFP老化座
  • QFP48pin芯片老化测试夹具QFP芯片老化座
  • QFP48pin芯片老化测试socketQFP芯片老练插座
  • QFP芯片老化测试socketQFP48pin芯片老化测试座
  • QFP芯片老化测试夹具芯片测试夹具
  • QFP芯片老化测试座QFP48pin芯片老化测试socket