深圳市鸿怡电子有限公司

为解决锂电池测试的痛点而生 大电流弹片微针模组
返回产品中心
BGA封装系列
  • BGA54pin-0.8存储芯片老化测试座
  • BGA54pin-0.8存储芯片老化测试座
  • BGA54pin-0.8存储芯片老化测试座
  • BGA54pin-0.8存储芯片老化测试座
  • BGA54pin-0.8存储芯片老化测试座
  • BGA54pin-0.8存储芯片老化测试座
BGA54pin-0.8存储芯片老化测试座

产品特点:

1.单面弹结构:采用传统的焊接方式将Socket与PCBA板固定,稳定牢固,但是费工费时,且Socket一旦焊接后,无法重复利用:

2.双面弹结构:采用创新的锁螺丝方式将Socket与PCBA板固定,在确保接触稳定牢固的同时,减少了按装时间,省时省力,且PCBA可以重复利用,节约了测试成本;

深圳鸿怡电子生产的BGA54pin-0.8mm-8*8mm存储芯片老化测试座产品简介

标准品:BGA54pin存储芯片老化测试座socket

材料&性能:
Socket 本体:PEI 探针
材料:铍铜
探针镀层:镍金
操作压力:2.0KGmin,pin越多压力越大
接触阻抗:50mΩmax.
耐压测试:700VAC for 1minute
绝缘电阻:1000MΩ500VDC
最大电流:1A
使用温度:-55℃~+155℃
机械寿命:大于25000次(机械测试)  

鸿怡电子研发,生产各类封装的半导体芯片测试座,老化座,测试夹具治具,集成电路IC的Burn-in-Socket和Test-Socket,产品封装种类齐全BGA/EMMC/EMCP/QFP/QFN/SOP/SOT/TO/LGA/LCC/DDR/FPC/connector/IMU socket等。

中心引脚间距:0.8mm,BAG54pin芯片支持0.45mm,0.5mm,0.75mm,0.8mm,1.0mm1.27mm等。

适配芯片尺寸:8*8mm,支持适配尺寸7*7mm,9*9mm,11*11mm,15*15mm,16*16mm等。

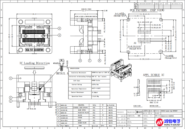
BGA54pin存储芯片图纸

IC尺寸

BGA54pin存储芯片老化测试座图纸

c32eebfd67bbdc47e0bdec47801e98cc 拷贝



BGA54pin存储芯片老化座socket产品展示
  • 20250805114753000248/resource/images/1f0de50fa6e4443eb5fb5422f6a6c056_44.jpgBGA封装存储芯片老化座
  • 20250805114753000248/resource/images/1f0de50fa6e4443eb5fb5422f6a6c056_46.jpg存储芯片老炼测试夹具
  • 20250805114753000248/resource/images/1f0de50fa6e4443eb5fb5422f6a6c056_50.jpg存储芯片老化测试座
  • 20250805114753000248/resource/images/1f0de50fa6e4443eb5fb5422f6a6c056_54.jpg存储芯片老化测试socket
  • 20250805114753000248/resource/images/1f0de50fa6e4443eb5fb5422f6a6c056_56.jpg存储芯片老化测试座