深圳市鸿怡电子有限公司

为解决锂电池测试的痛点而生 大电流弹片微针模组
返回产品中心
BGA封装系列
  • 电源芯片老化座
  • BGA144老化座
  • BGA芯片老化座
  • BGA芯片老练夹具
  • 电源芯片老练夹具
标品BGA144pin电源芯片老化测试座

产品特点:

1.单面弹结构:采用传统的焊接方式将Socket与PCBA板固定,稳定牢固,但是费工费时,且Socket一旦焊接后,无法重复利用:

2.双面弹结构:采用创新的锁螺丝方式将Socket与PCBA板固定,在确保接触稳定牢固的同时,减少了按装时间,省时省力,且PCBA可以重复利用,节约了测试成本;

深圳鸿怡电子生产的标准品BGA144pin-1.27mm-16x16mm电源芯片老化测试座产品简介

标准品/定制品:BGA144pin电源芯片老化测试座socket

材料&性能:
Socket 本体:PEI 探针
材料:铍铜
探针镀层:镍金
操作压力:2.0KGmin,pin越多压力越大
接触阻抗:50mΩmax.
耐压测试:700VAC for 1minute
绝缘电阻:1000MΩ500VDC
最大电流:1A
使用温度:-55℃~+155℃
机械寿命:大于25000次(机械测试)  

鸿怡电子研发,生产各类封装的半导体芯片测试座,老化座,测试夹具治具,集成电路IC的Burn-in-Socket和Test-Socket,产品封装种类齐全BGA/EMMC/EMCP/QFP/QFN/SOP/SOT/TO/LGA/LCC/DDR/FPC/connector/IMU socket等。

中心引脚间距:0.65mm,BAG144pin芯片支持0.45mm,0.5mm,0.75mm,0.8mm,1.0mm1.27mm等。

适配芯片尺寸:10*10mm,支持适配尺寸7*7mm,9*9mm,11*11mm,15*15mm,16*16mm等。

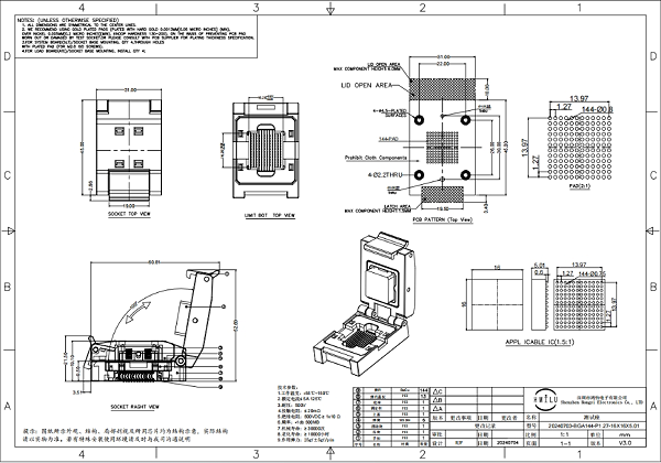
BGA144pin电源芯片图纸

BGA144-1.27mm尺寸

BGA144pin电源芯片老化测试座图纸

BGA144-1.27mm图纸

BGA144pin电源芯片老化座socket产品展示
  • BGA144pin电源芯片老化座BGA封装电源芯片老化座
  • BGA144-1.27mm测试座电源芯片老炼测试夹具
  • BGA144-1.27mm插座BGA芯片老化测试座
  • BGA144-1.27mm底座BGA芯片老化测试socket
  • BGA144-1.27mm烧录座BGA芯片老化测试座